概述
蝶阀是用随阀杆一起转动的蝶板作启闭件,用以实现阀门的开启,关闭和流量调节,衬里蝶阀在阀体,蝶板,阀杆等过流部件上采用衬里技术表面均匀包覆一层氟塑胶,能耐除“熔融碱金属元素”外任何介质腐蚀,具有体积小,重量轻,启闭灵活,便于安装等优点。本公司蝶阀为D71F46和D41F46系列,阀体采用对分二片式结构、/span>
结构特点
1、中线蝶阀蝶板为阀?60°圆周内同心(中线),具有双向密封功能,压力流量可自由调节、br/>2、四级加载弹性密封,保证阀门的内外的零泄漏、br/>3、结构简单,开关迅速,90°旋转启闭、br/>4、流量特性趋于直线,调节性能最优、/span>
设计规范
遵循GB12238,API609,MSS SP-68标准.
驱动方式
手动,蜗轮传动,气动,电动、/span>
性能规范
| 设计与制速/span> |
结构长度 |
联结法兰 |
压力试验 |
产品标志 |
供货要求 |
| GB/T12237 |
HG/T3704-2003 GB/T1221 |
HG20592-97 |
GB/T13927-92 |
GB12220 |
GB/T12252 |
公称压力:PN1.0-1.6(MPa),公称通径:DN15-DN250(mm)、/span>
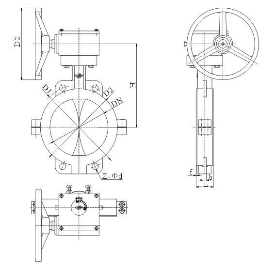
衬里蝶阀示意国/strong>

主要零部件材料表
| 序号 |
零件名称 |
灰铸?/span> |
铸钢 |
不锈钡/span> |
超低碳不锈钢 |
| Z |
C |
P |
R |
PL |
RL |
| 1 |
阀佒/span> |
HT250 |
WCB |
CF8 |
CF8M |
CF3 |
CF3M |
| 2 |
蝶板 |
WCB |
35(锻(/span> |
CF8 |
CF8M |
CF3 |
CF3M |
| 3 |
阀杅/span> |
1CY13 |
2Cr13 |
1Cr18Ni9Ti |
1Cr18Ni12Mo2Ti |
00Cr18Ni10 |
00Cr17Ni14Mo2 |
| 4 |
衬里?阀?/span> |
PTFE(F4) PCTFE(F3) FEP(F46) PFA(可溶F4) PP PO |
| 5 |
密封圇/span> |
FPM(氟橡胶(/span> |
| 6 |
弹性条(垫(/span> |
SI(硅橡胶(/span> |
| 7 |
螺栓 |
35 |
35 |
1Cr17Ni2 |
1Cr17Ni2 |
1Cr18NiTi |
1Cr18Ni9Ti |
| 8 |
螺母 |
45 |
45 |
0Cr18Ni9 |
0Cr18Ni9 |
0Cr18Ni9 |
0Cr18Ni9 |
| 9 |
手柄 |
WCB |
对夹连接主要尺寸及重野/strong>
| 公称通径 |
标准倻/span> |
参考倻/span> |
| DN(mm(/span> |
NPS(inch(/span> |
L |
D1 |
D2 |
f |
Z-Φd |
Do |
H |
W(kg) |
| PN1.0/PN1.6(MPa) |
| 40 |
11/2 |
33 |
110 |
85 |
3 |
4-Φ18 |
260 |
140 |
3 |
| 50 |
2 |
43 |
125 |
100 |
3 |
4-Φ18 |
200 |
145 |
4 |
| 65 |
21/2 |
46 |
145 |
120 |
3 |
4-Φ18 |
250 |
155 |
6 |
| 80 |
3 |
46 |
160 |
135 |
2 |
4-Φ18/8-Φ18 |
250 |
165 |
8 |
| 100 |
4 |
52 |
180 |
155 |
3 |
8-Φ18 |
300 |
180 |
12 |
| 125 |
5 |
56 |
210 |
185 |
3 |
8-Φ18 |
300 |
203 |
18 |
| 150 |
6 |
56 |
240 |
210 |
3 |
8-Φ23 |
200* |
225 |
28 |
| 200 |
8 |
60 |
295 |
265 |
3 |
8-Φ23/12-Φ23 |
200* |
275 |
56 |
| 250 |
10 |
68 |
350/355 |
320 |
3 |
12-Φ23/12-Φ25 |
240* |
315 |
72 |
| 300 |
12 |
78 |
400/410 |
368 |
4 |
12-Φ23/12-Φ25 |
240* |
348 |
88 |
| 350 |
14 |
78 |
460/470 |
428 |
4 |
16-Φ23/16-Φ25 |
240* |
415 |
120 |
| 400 |
16 |
102 |
515/525 |
482 |
4 |
16-Φ23/16-Φ30 |
280* |
460 |
145 |
| 450 |
18 |
114 |
565/585 |
532/545 |
4 |
20-Φ25/20-Φ30 |
280* |
500 |
165 |
| 500 |
20 |
127 |
620/650 |
585/608 |
4 |
20-Φ25/20-Φ34 |
320* |
530 |
195 |
| 600 |
24 |
154 |
725/770 |
685/718 |
5 |
20-Φ30/20-Φ36 |
320* |
610 |
268 |
*为蜗轮转动手轮直径尺寷/span>
法兰连接主要尺寸及重野/strong>
| 公称通径 |
标准倻/span> |
参考倻/span> |
| DN(mm(/span> |
NPS(inch(/span> |
L |
D |
D1 |
D2 |
f |
4b |
Z-Φd |
Do |
H |
W(kg) |
| PN1.0/PN1.6(MPa) |
| 40 |
11/2 |
106 |
145 |
110 |
85 |
3 |
18/18 |
4-Φ18 |
160 |
140 |
10 |
| 50 |
2 |
108 |
160 |
125 |
100 |
3 |
20/20 |
4-Φ18 |
200 |
160 |
12 |
| 65 |
21/2 |
112 |
180 |
145 |
120 |
3 |
20/20 |
4-Φ18 |
250 |
165 |
13 |
| 80 |
3 |
114 |
195 |
160 |
135 |
3 |
22/22 |
4-Φ18/8-Φ18 |
250 |
170 |
14 |
| 100 |
4 |
127 |
215 |
180 |
155 |
3 |
22/24 |
8-Φ18 |
300 |
180 |
16 |
| 125 |
5 |
140 |
245 |
210 |
185 |
3 |
24/26 |
8-Φ18 |
300 |
275 |
18 |
| 150 |
6 |
140 |
280 |
240 |
210 |
3 |
24/28 |
8-Φ23 |
200* |
295 |
42 |
| 200 |
8 |
152 |
335 |
295 |
265 |
3 |
26/30 |
8-Φ23/12-Φ23 |
200* |
320 |
78 |
| 250 |
10 |
250 |
390/405 |
350/355 |
320 |
3 |
28/32 |
12-Φ23/12-Φ25 |
240* |
385 |
120 |
| 300 |
12 |
270 |
440/460 |
400/410 |
368 |
4 |
28/34 |
12-Φ23/12-Φ25 |
240* |
390 |
145 |
| 350 |
14 |
290 |
500/520 |
460/470 |
428 |
4 |
30/38 |
16-Φ23/16-Φ25 |
240* |
460 |
202 |
| 400 |
16 |
310 |
565/580 |
515/525 |
482 |
4 |
32/40 |
16-Φ25/16-Φ30 |
280* |
510 |
235 |
| 450 |
18 |
330 |
615/640 |
565/585 |
532/545 |
4 |
32/44 |
20-Φ25/20-Φ30 |
280* |
540 |
368 |
| 500 |
20 |
350 |
670/705 |
620/650 |
585/608 |
4 |
34/46 |
20-Φ25/20-Φ34 |
320* |
570 |
420 |
| 600 |
24 |
390 |
780/840 |
725/770 |
685/718 |
5 |
36/54 |
20-Φ30/20-Φ36 |
320* |
660 |
750 |
*为蜗轮转动手轮直径尺寷/span>