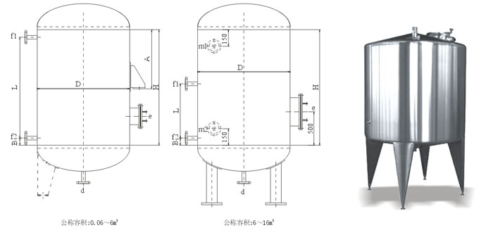
立式椭圆型封头储罏/div>
产品介绍

立式椭圆型封头容器基本参?br/>
| 公称容积M3 |
计算容积M3 |
公称直径 D mm |
筒体高度 D mm |
安装尺寸 |
管口公称直径 |
A mm |
B mm |
L mm |
进口a |
备用口b |
排气口c |
出口 d |
?手孔 e |
液面计口 f1.2 |
安全阀叢br/>h |
压力计口 k |
自控面计叢br/>m |
| 0.06 |
0.07 |
400 |
400 |
200 |
50 |
500 |
25 |
25 |
20 |
25 |
- |
15 |
- |
25 |
- |
| 0.1 |
0.1 |
400 |
600 |
300 |
50 |
500 |
25 |
40 |
20 |
25 |
- |
15 |
- |
25 |
- |
| 0.15 |
0.16 |
500 |
600 |
300 |
50 |
500 |
25 |
40 |
20 |
25 |
- |
15 |
- |
25 |
- |
| 0.2 |
0.2 |
500 |
800 |
400 |
100 |
600 |
40 |
50 |
25 |
40 |
150 |
15 |
25 |
25 |
- |
| 0.3 |
0.3 |
600 |
800 |
400 |
100 |
600 |
40 |
50 |
25 |
40 |
150 |
15 |
25 |
25 |
- |
| 0.5 |
0.49 |
700 |
1000 |
500 |
100 |
800 |
40 |
50 |
25 |
40 |
150 |
15 |
40 |
25 |
- |
| 0.8 |
0.76 |
800 |
1200 |
600 |
100 |
1000 |
50 |
65 |
25 |
50 |
150 |
15 |
40 |
25 |
- |
| 1 |
1.06 |
800 |
1800 |
900 |
50 |
1700 |
50 |
65 |
25 |
50 |
150 |
15 |
40 |
25 |
- |
| 1.5 |
1.56 |
1000 |
1600 |
800 |
100 |
1400 |
50 |
65 |
25 |
50 |
400 |
15 |
40 |
25 |
- |
| 2 |
2.09 |
1200 |
1400 |
700 |
100 |
1200 |
50 |
65 |
40 |
50 |
400 |
15 |
50 |
25 |
- |
| 2.5 |
2.55 |
1200 |
1800 |
900 |
50 |
1700 |
50 |
65 |
40 |
50 |
400 |
15 |
50 |
25 |
- |
| 3 |
3.0 |
1200 |
2200 |
1000 |
50 |
2100 |
50 |
65 |
40 |
50 |
400 |
15 |
50 |
25 |
- |
| 4 |
4.18 |
1400 |
2200 |
1000 |
50 |
2100 |
50 |
65 |
40 |
50 |
400 |
15 |
50 |
25 |
- |
| 5 |
5.21 |
1600 |
2000 |
- |
100 |
1800 |
65 |
80 |
50 |
65 |
450 |
15 |
50 |
25 |
- |
| 6 |
6.42 |
1600 |
2600 |
- |
50 |
2500 |
65 |
80 |
50 |
65 |
450 |
15 |
50 |
25 |
- |
| 8 |
8.27 |
1800 |
2600 |
- |
50 |
2500 |
65 |
80 |
50 |
65 |
450 |
15 |
65 |
25 |
- |
| 10 |
10.4 |
2000 |
2600 |
- |
50 |
2500 |
65 |
80 |
50 |
65 |
450 |
15 |
65 |
25 |
- |
| 12 |
12.3 |
2000 |
3200 |
- |
100 |
1400 |
65 |
80 |
50 |
65 |
450 |
15 |
65 |
25 |
80 |
| 16 |
16.7 |
2400 |
2800 |
- |
100 |
2600 |
80 |
100 |
65 |
80 |
450 |
15 |
65 |
25 |
- |
| 20 |
20.9 |
2600 |
3000 |
- |
100 |
1400 |
80 |
100 |
65 |
80 |
450 |
15 |
65 |
25 |
80 |
| 25 |
25.2 |
2600 |
3800 |
- |
100 |
1400 |
80 |
100 |
65 |
80 |
450 |
15 |
65 |
25 |
80 |
| 32 |
32.6 |
2600 |
5200 |
- |
100 |
1400 |
80 |
100 |
65 |
80 |
450 |
15 |
65 |
25 |
80 |
| 40 |
40.7 |
2800 |
5600 |
- |
100 |
1400 |
80 |
100 |
65 |
80 |
450 |
15 |
80 |
25 |
80 |
|
|
浙江金氟隆化工装备有限公号/span> 电话:点击&查看18024074014 18026282197 联系亹 销售部 地址: 浙江省金华市金东区五联街89叶/span>
同品牌产品:
|