泵阀 >> 电磁脉冲阀
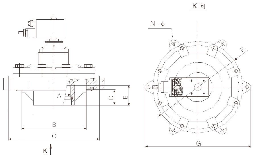
防爆淹没式电磁脉冲阀DCF-F-Y-102S
产品介绍
防爆标志:EX mb ⅡC T4Gb/Ex mD 21 T130 产品标准:Q/320500 HSXC 007-2015 该产品经国家防爆电气产品质量监督检验中心检验合格并取得了防 爆合格证,其防爆合格证编号为CNEx15.2609X 确认符合下列标准 GB3836.1-2010《爆炸性环境第1部分:设备通用要求 GB3836.9-2006《爆炸性气体环境用电气设备 ?部分:浇封型“m” GB12476.1-2013《可燃性粉尘环境用电气设备 ?部分:通用要求 GB12476.1-2010《可燃性粉尘环境用电气设备 ?部分:浇封保护型“mD”《/span> |
相关产品
|
|||||||||||||||||||||||||||||




