光源作为原子发射光谱仪主要部件之一,是决定光谱分析灵敏度和准确度的重要因素,它分为电弧光源、火花光源以及近年发展的电感耦合等离子体光源和辉光放电光源。各光源的原理和特点又是什么呢?
原子发射光谱仪由光源、分光系统、检测系统和数据处理系统四个部分组成。而光源是光谱仪检测主要的部分之一,光源的作用是提供样品蒸发和激发所需的能量。它先把样品中的组分蒸发、离解成气态原子,然后再使原子的外层电子激发产生光辐射。光源是决定光谱分析灵敏度和准确度的重要因素,它分为电弧光源、火花光源以及近年发展的电感耦合等离子体光源和辉光放电光源、/p>
一、激发光溏/strong>
原子发射光谱对激发光源的要求
(1) 光源应具有足够的激发容量,利于样品的蒸发、原子化和激发,对样品基体成分的变化影响要小、/p>
(2) 光源的灵敏度要高,具有足够的亮度,对元素浓度的微小变化在线状光谱的强度上应有明显的变化,利于痕量分析、/p>
(3) 光源对样品的蒸发原子化和激发能力有足够的稳定性和重现性,以保证分析的精密度和准确度、/p>
(4) 光源本身的本底谱线要简单,背景发射强度弱,背景信号要小,对样品谱线的自吸效应要小,分析的线性范围要宽、/p>
(5) 光源设备的结构简单,易于操作、调试、维修方便等、/p>
二、电弧光溏/strong>
电弧是较大电流通过两个电极之间的一种气体放电现象,所产生的弧光具有很大的能量。若把样品引入弧光中,就可使样品蒸发、离解,并进而使原子激发而发射出线状光谱。它可分为直流电弧和交流电弧、/p>
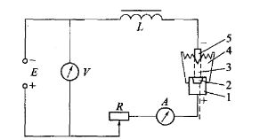
1、直流电弧直流电弧发生器及直流电弧如?所示。电源可用直流发电机或将交流电整流后供电,电压为220?80V、电流为5?0A,可变电阻R用于调节电流的大小,电感L用来减小电流的波动、/p>

? 直流电弧发生器和直流电弧
E-直流电源;V-直流电压表;L-电感;R-可变电阻;A-直流电流表;I-阳极?-样品槽;3-电弧柱;4-电弧火焰?-阴极
带有凹槽的石墨棒阳极,可放置样品粉末,其与带有截面的圆锥形石墨阴极之间的分析间隙约为4?mm。点燃直流电弧后,两电极间弧柱温度达4000?000K,电极温度达3000?000K。在弧焰中样品蒸发、离解成原子、离子、电子,粒子间碰撞使它们激发,从而辐射出光谱线、/p>
直流电弧光源的弧焰温度高,可?0种以上的元素激发,适用于难熔、难挥发物质的分析,测定的灵敏度高、背景小,适用于定性分析和低含量杂质的测定。因弧焰不稳定易发生谱线自吸现象,使分析精密度、再现性差。阳极温度高不适用于定量分析及低熔点元素分析、/p>
2、交流电弧交流电弧发生器由交流电源供电。常?10?20V低压交流电弧,其设备简单、操作安全。用高频引燃装置点火,交流电弧放电具有脉冲性,弧柱温度比直流电弧高,稳定性好,可用于定性分析和定量分析,有利于提高准确度。其不足之处是蒸发能力低于直流电弧,检出灵敏度低于直流电弧、/p>
单纯的电弧光源至今仍保留在地质试样、粉末和氧化物样品中的杂质元素分析中、/p>
三、火花光溏/strong>
高压火花发生器可产生10?5kV的高压,然后对电容器充电,当充电电压可以击穿由试样电极和碳电极构成的分析间隙时,就产生火花放电。放电以后,又会重新充电、放电,反复进行、/p>
火花光源的放电电路见?。它由放电电容C、电阻R、电感圈L和放电分析间隙G组成、/p>

? 火花光源的放电电?/p>
1-碳电极;2-试样电极
当电极被击穿时产生的火花在电极间产生数条细小弯曲的放电通道,短时间释放大量能量,放电的电流密度?05?06A/cm2,使样品呈现一股发光蒸气喷射出来,喷射速度?05cm/s,称为焰炬。每次放电都在电极表面的不同位置产生新的导电通道,单个火花直径约0.2mm,当曝光数十秒时,可发生几千次击穿,由于每次击穿的面积小,时间短,使电极灼热并不显著、/p>
高压火花放电的平均电流比电弧电流小,约为十分之几安培,但在起始的放电脉冲期间,瞬时电流可超过1000A,此电流由一条窄的仅包含极小一部分电极表面积的光柱来输送,此光柱温度可?0000?0000K。虽然火花光源的平均电极温度比电弧光源温度低许多,但在瞬时光柱中的能量却是电弧光源的几倍,因此高压火花光源中的离子光谱线要比电弧光源中明显。此种光源的特点是放电稳定性好,分析结果重现性好,适于做定量分析。缺点是放电间隔时间长,电极温度较低,对试样蒸发能力差,适于低熔点、组成均匀的金属或合金样品的分析。由于灵敏度低,背景大,不宜做痕量元素分析、/p>
四、等离子体光溏/strong>
电感耦合等离子体(inductively coupled plasma, ICP)光源它由高频发生器、等离子体炬管和雾化器组成,为现代原子发射光谱仪中广泛使用的新型光源、/p>
1、高频发生器高频发生器在工业上称射频(radio frequency,RF)发生器,在ICP光源中称高频电源或等离子体电源,它通过工作线圈向等离子体输送能量,是ICP火焰的能源。高频发生器有两种类型,即自激式和它激式,它们都能满足ICP分析的需求、/p>
自激式高频发生器由整流稳压电源、振荡回路和大功率电子管放大器三部分组成,提?0.68MHz高频振荡电场。它的电路简单,造价低廉,具有自动补偿、白身调节作用是目前仪器厂商广泛使用的技术、/p>
它激式高频发生器是由石英晶体振荡器、倍频、激励、功放和匹配五部分组成,它采用标准工业频率振荡器6.87MHz工作,经4?倍的倍频电路处理,产?7.12MHz?0.68MHz的工作频率,经激励、放大,由匹配箱和同轴电缆输送到ICP负载上,此种发生器频率稳定性高、耦合效率高,功率输出易于自动控制,但其电路比较复杂,易发生故障,因而应用厂商较少、/p>
现在被广大厂商广泛采用的是固态高频发生器,它是由一组固态场效应管束代替自激式高频发生器中的大功率电子管,以获得大功率高频能量的输出。它具有体积小,输出功率稳定、耐用、抗震、抗干扰能力强,已成为新一代ICP光谱仪使用的主流产品,使用寿命已大干5000h、/p>
高频发生器产生的频率和它的正向功?系指在ICP燃炬负载线圈上获得的功率)是两个重要的性能指标,二者有紧密的相关性、/p>
高频发生器产生的振荡频率和它的正向功率呈反比关系,如使用5MHz频率,维持ICP放电的功率为5? kW;使?MHz,功率为3kW;使?1 MHz,功率为1.5kW,因而提高振荡频率;可使ICP放电所需的功率降低,并进而降低激发时的温度和电流密度,还会降低冷却氩气的消耗量,振荡频率的稳定性应?.1%、/p>
高频发生器的功率?gt;1.6kW,当输出功率?00?00W时,能维持ICP火焰燃烧,但不稳定,不能进行样品分析工作,当输出功率>800W时,ICP火焰才能保持稳定,才可进行样品分析,输出功率的稳定性应?.1%,它直接影响分析的检出限和分析数据的精密度、/p>
2011年美国PE公司在Optima 8000系列仪器上,采用平行铝板作为高频感耦元件,称为平板等离子体。其在射频发生器上用两块平行放置的铝板,取代传统的螺旋铜管感应线圈,构成电感耦合等离子体炬,可降低氩气消耗在10L/min以下,并且平行铝板不需用水冷却,当等离子体冷却气只?L/min,等离子体炬焰仍然稳定,使操作成本大大降低,并有良好的稳定性和分析性能、/p>
2、等离子体炬管高频发生器通过用水冷却的空心管状铜线圈围绕在石英等离子体炬管的上部,可辐射频率为几十兆赫的高频交变电磁场。等离子体炬管由三层同心圆的石英玻璃管组成,工作氩气携带经适当方法雾化后的样品气溶胶,从等离子体矩管的中心管进入等离子体火焰的中央处,中心管的个外层同心管以切线的方向通入冷却用的氩气,它可抬高等离子体火焰、减少炭粒沉积,起到既可稳定等离子体炬焰,又能冷却中心进样石英管管壁的双重保护作用。中心管的第二个外层同心管通入能点燃等离子体火焰的辅助氩气。开始时由于炬管内没有导电粒子,不能产生等离子体炬焰,可用电子枪点火产生电火花,会触发少量工作氩气电离产生导电粒子,其可在高频交变电磁场作用下高速运动,再碰撞其它氩原子,使之迅速大量电离,形成“雪崩”式放电,电离的Ar+在垂直于磁场方向的截面上形成闭合环形路径的涡流,即在高频感应线圈内形成电感耦合电流,这股高频感应电流产生的高温又再次将氩气加热、电离,而在石英炬管上口形成一个火炬状的稳定等离子体炬焰,此炬焰的外层电流密度大,温度高,试样在此炬焰中蒸发、原子化并进行电离,再激发而呈现辐射光谱、/p>
电感耦合等离子体光源结构示意图,见图3、/p>

? 电感耦合等离子体光源
1-等离子体炬焰?-高频线圈?-三个同心石英管;4-辅助氩气?-冷却氩气(冷却中心炬管)?-工作氩气及样品入?由雾化室进入)
(1) 等离子体炬焰的稳定曲线理想的ICP炬管应易点燃,节省工作氩气并且炬焰稳定。通用ICP炬管的不足之处是氩气消耗量大,降低冷却氩气流量又会烧毁ICP炬管。为了降低氩气的消耗量,必须保持高频输入的正向功率与等离子体消耗能量之间的平衡,才能使ICP炬焰稳定。等离子体输入的正向功率,一般为1 kW,消耗能量包括工作气流和冷却气流带走的能量、热辐射和光辐射散失的能量,试样和溶剂蒸发、气化和激发消耗的能量,炬管壁传导和热辐射能量。当这些消耗能量的总和大于高频输入的正向功率时,会使等离子体炬焰熄灭,而高频输入的正向功率过大又会烧毁等离子体炬管,对每一支ICP石英炬管都有保持ICP炬焰稳定的曲线,对直?2 mm的ICP炬管的等离子体炬焰的稳定曲线如图4所示、/p>

? ICP炬焰稳定曲线
(2) 等离子体炬焰中,三股氩气的作?/p>
工作氩气也称载气或样品雾化气,此股氩气经雾化器,使样品溶液转化成粒径只有1?0um的气溶胶,并将样品气溶胶引入到ICP炬焰中还起到不断清洗雾化器的作用,它的流量约?.4?.0L/min,其压力约为15?5psi(1psi=6894.76Pa)、/p>
冷却氩气它沿中心炬管的切线方向引入,主要起冷却作用,保护中心炬管免被高温熔化,冷却等离子体炬焰的外表面并与中心炬管的管壁保持一定距离,保护中心炬管顶端温度不会发生过热。其流量一般为10?0L/min,新型炬管此流量可降?L/min、/p>
辅助氩气它从三个同心石英管的外层通入,其作用是点燃等离子体火炬,也起到保护中心炬管和中间石英管的顶端不被烧熔,并减少样品气溶胶夹带的盐分过多沉积在中心炬管的顶端,其流量?.1?.5L/min、/p>
冷却气和辅助气都可起到提升ICP火焰高度,实现变换高度来观测ICP火焰的作用、/p>
(3) 等离子体炬焰的观测方弎/p>
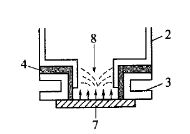
垂直观测又称径向观测或侧视观测。此时观测方向垂直于ICP炬焰,能够观测火焰气流方向的所有信号,是常用的观测方式,适用于任何基体试液,并有较小的基体效应和干扰效应,此时,可以观察到电感耦合等离子体的炬焰分为焰心区、内焰区和尾焰区三个部分,如?所示。各个区域的温度不同,功能也不相同、/p>

? ICP焰炬观测区间
1-Ar气导入区?-预热区;3-ICP焰心?-ICP内焰?-ICP尾焰?-电感线圈?-在电感线圈上方进行观测的高度
ICP的焰心区呈白炽状不透明,是高频电流形成的涡电流区,温度高达10000K,试样气溶胶通过该区时被预热、蒸发,停留?ms、/p>
ICP的内焰区在焰心上方,在电感线圈上方约10?0mm,呈浅蓝色半透明状,温度?000?000K,试样中的原子在该区被激发,龟离并产生光辐射,试样停留约1 ms,比在电弧光源和高压火花光源中的停留时间(?0-3?0-2ms)长,利于原子的离解和激发、/p>
ICP的尾焰区在内焰的上方,呈无色透明状,温度?000K,仅能激发低能态原子的试样、/p>
水平观测又称轴向观测或端视观测。此时水平放置ICP炬管,火焰气流方向与观测方向呈水平重合,由于整个火焰各个部分的光都可被采集,灵敏度高。缺点是基体效应高,电离干扰大,炬管易积炭和积盐而沾污,适用于水质分析、/p>
此时由于尾焰温度低可能会产生自吸和分子光谱,导致测量偏差加大,为此应采用尾焰消除技?如压缩空气切割技术、冷锥技术或加长炬管),以消除分子复合光谱干扰、降低基体效应,以提高灵敏度,扩展线性动态范围、/p>
双向观测即在水平观测基础上,增加一套侧向观测光路,就可实现水平/垂直双向观测,可同时实现全部元素的水平观测及垂直观测,也可实现部分元素的水平测量或垂直测量。此时为实现垂直观测,会在炬管上开口,而导致缩短炬管使用寿命,此时会降低分析速度,增加了分析消耗、/p>
3、雾化器
雾化器可将试样溶液雾化后转化成气溶胶,并被工作氩气携带进入等离子体炬中、/p>
现在广泛使用玻璃同心雾化器,又称迈哈?Meinhard)雾化器,其构造如?(a)所示、/p>

? 玻璃同心雾化器结构示意图
(a)雾化器的双流体结构;(b)喇叭口形雾化器结?防止盐类在喷口处沉积)?c)雾化器喷口的A、C、K型的结构?-液体样品入口?-喷雾气体入口?-喷液毛细管;4-气溶胶喷口;5-玻璃外壳
玻璃同心雾化的双流体结构中有两个通道,喷液毛细管(中心?和外管之间的缝隙?.01?.35mm,毛细管气溶胶喷口的孔径约为0.15?.20mm,毛细管壁厚?.15?.10mm。其喷雾原理是当喷雾气体(载气)通入雾化器后,在毛细管喷口形成负压而自动提升液体样品,将溶液粉碎成细小液滴,并载带微小液滴从喷口喷出气溶胶、/p>
为防止液体盐类在喷口处沉积,可将喷口制成喇叭口形,使出口保持湿润,而不易堵塞[见图6(b)]、/p>
由于加工方法不同,气溶胶喷口的形状有三种,即A、C、K型[见图6(c)]。A型为平口?标准?,喷口内管和外管在同平面上,喷口端面磨平。C型为缩口型,中心管比外管缩进0.5mm,且中心管被抛光。K型与C型相同,但中心管未被抛光。A型喷口雾化效率高,C型和K型,耐盐能力强,不易堵塞、/p>
雾化器的进样效率是指进入等离子体焰炬的气溶胶量与被提升试液量的比值。当增加载气压力时,会增加试液的提升量,但进样效率会降低,这点由雾化器的结构决定的,因此使用雾化器时,应确定进样效率适当值时,所对应载气的压力和流量。过度增加试液提升量,会增加大液滴的数量使废液量增加,易造成喷口阻塞,反而使进样效率下降、/p>
在PE公司Optima系列仪器上还配备了eNeb雾化器、/p>
eNeb雾化器的机理为:采用两个均匀微米级细孔的有机薄膜,不需高压雾化气流,仅在膜片的两端加以高频电场,在激烈振荡的电场作用下,从薄膜的微孔处不断喷射出大小一致的液滴,形成而均匀细小的气溶胶,直接进入等离子炬。其雾化效率可得到提高。气溶胶喷头的膜片,采用耐腐蚀的高分子Kapton材料薄膜制成,经激光打孔形?0um以下的均匀密集微孔,孔径和形状可保持严格的一致性,使得形成的气溶胶颗粒具有很好的一致性,并且粒径可控制在不超?0um的很窄范围内,从而使其雾化效率得到很好的提高。进样的精密度和长时间稳定性良好、/p>
4、感耦合等离子体光源的特?/p>
(1) 此光源的工作温度高于其它光源,等离子体炬表面层温度可?0000K以上,在中心管通道温度也达6000?000K,在分析区内有大量具有高能量的Ar+等离子,它们通过碰撞极有利于试样的蒸发、激发、电离,有利于难激发元素的测定,可?0多种元素,具有高灵敏度和低的检测限,适用于微量及痕量元素分析、/p>
(2) 此光源不使用电极,可避免由电极污染带来的干扰。因使用氩气作为工作气体,产生的光谱背景千扰低、光源稳定性良好,可使分析结果获得高精密度(标准偏差?%?%左右)和准确度,定量分析的线性范围可??个数量级、/p>
由于电感耦合等离子体光源具有良好的分析性能和广泛的应用范围,在近二十年受到广泛重视,发展迅速、/p>
电磁耦合微波等离子体光源2011年Agilent公司提供全新的电磁耦合微波等离子体(electro meganic coupled microwave plasma,EMMP)光源、/p>
此光源使用氮气发生器从空气中提取氮气,作为产生等离子体的气源,而不使用昂贵的氩气。它不使用高频发生器的电场作为等离子体炬的能源,而是使用大功?000W工业级磁控管产生的电磁场作为N2等离子体炬的能源。这种使用磁场而非电场来耦合微波能量并激发N2等离子体的技术,大大降低了发射光源的成本,原子化温度?000℃,并具有即开即用、操作简便的特点、/p>
此光源使用的炬管,可随时拆卸,安装时可实现炬管的快速定位和与气源的连接,保证了定位精度和快速启动、/p>
此光源使用One Neb通用雾化?见图7),采用惰性材料制作,耐有机溶剂和强酸,其特殊的防阻塞设计使其成为高盐、高固体溶解浓度样品溶液进行雾化的选择、/p>

? One Neb通用雾化?/p>
1-试液样品入口?-雾化N2入口?-四氟乙烯喷液毛细管;4-气溶胶喷口;5-聚乙烯外売/p>
五、辉光放电光溏/strong>
辉光放电(glow discharge, GD)可用作原子发射光谱的激发光源,它具有较高的稳定性,能直接用于固体样品的成分分析和逐层分析、/p>
辉光放电有直流放?DC)模式,可用于金属等导体分析,射频放电(RF)模式可用于所有固体样?导体、半导体和绝缘体)的分析、/p>
辉光放电光源,基本上都是格里?Grimm)型,其结构见?、/p>
此光源中,阳极空心圆筒伸入环形阴极中,它们之间为聚四氟乙烯绝缘体。两个电极间的距离和阳极圆筒下端面与阴极试样之间的距离皆?.2 mm。光源内部抽真空?0Pa后,充入压力?00?000Pa的低压放电气体氩,然后在两电极间施加500?500V直流电压;阳极接地保持零电位,阴极施加负高压。使光源内氩气被激发、离解成Ar+和电子,在两电极间形成Ar+等离子体。在电场作用下Ar+与阴极样品碰撞,在样品表面的原子,获得可以克服晶格束缚的5?5eV的能量,并以中性原子逸出表面,其再与Ar+和自由电子产生一系列的碰撞,会被激发电离、产生二次电子发射,从而在负辉区产生样品特征的发射光谱。负辉区主要构成阴极的金属原子的溅射和光辐射,它产生大的电流密度和电子动能,会使挥发出的气态原子强烈电离,并激发出光辐?见图9)、/p>

? 格里姆辉光放电光源结构示意图
1-石英窗;2-阳极?-环形阴极?-绝缘体;5-放电气体(Ar)入口?-放电气体出口?-样品?-负辉匹/p>

? 格里姆放电光源放电负辉区放大国/p>
辉光放电光源,除使用直流电压供电分析金属导体外,还可在两电极间施加具有一定频率的射频电压,此时样品可交替作为阴极或阳极,其表面轮流受到正离子和电子的碰撞,增大了样品原子被撞击的频率,提高了样品原子化和被激发离子化效率,它可直接分析导体、半导体和绝缘体样品、/p>
辉光放电过程,样品原子被不断地逐层剥离,随溅射过程的进行,光谱信息反映的化学组成,由表面到里层所发生的变化,可用于深度分析、/p>