第一 离子交换树脂
水中能电离的杂质可用离子交换法除掉,这种方法是用离子交换剂进行的。离子交换剂包括天然沸石、人造铝硅酸钠、磺化煤和离子交换树脂等四类,其中离子交换树脂在水处理中应用得比较广泛。因此,在讨论离子交换法前,先对离子交换树脂的结构和性质做一些介绍、/span>
一、树脂的结构
离子交换树脂是一种不溶于水的高分子化合物,外观上是一些直径为0.3?.2毫米的淡黄色或咖啡色的小球。微观上是一种立体网状结构的骨架;骨架上联结着交换基团,交换基团中含有能解离的离子,图13-5是一种离子交换树脂的结构示意图。下面简单的介绍树脂网状结构的孔隙和交换基团、/span>

?3-5 H型离子交换树脂结构示愎/span>
1、树脂孔隙。树脂内部的网架形成树脂中许多类似毛细孔状的沟道,即树脂的孔隙。实际上这些孔隙非常小,一般常用树脂的孔隙直径?0?0?1埂10-8厘米),而且同一颗粒内的孔隙也是不均匀的。孔隙中充满着水分子,这些水分子也是树脂孔隙的一个组成部分。水和交换基团解离下来的离子组成浓度很高的溶液,离子交换作用就是在这样溶液条件下进行的、/span>
树脂孔隙的大小,对离子交换运动有很大影响,孔隙小不利于离子交换运动,以致半径大的离子不能进入树脂内,也就不能发生交换作用、/span>
树脂网状骨架部分不溶于水,在交换反应时也是不变的,一般用英文树脂的第一个字母R来表示不变的这一部分、/span>
2、交换基团。交换基团是由能解离的阳离子(或阴离子)和联结在骨架上的阴离?或阳离子)组成。例如,磺酸基交换基?SO3-H+,季胺基交换基团-N(CH3)3+OH-等,其中H+或OH-是能解离的并在反应中发生交换的离子;-SO3-戕span style="font-family: 宋体, SimSun; text-indent: 28px;">-N(CH3)3+是联结在骨架上的离子,即R-SO3-或R—N(CH3)3+,它们在反应中是不变的、/span>
在书写某种离子交换树脂时,一般只写出树脂骨架符号R和交换基团中能解离的离子本身符号,如RH或ROH等、/span>
二 树脂的分籺/strong>
离子交换树脂的分类,一般按交换基团能解离的离子种类分为阳离子交换树脂和阴离子交换树脂、/span>
1、阳离子交换树脂。交换基团能解离的离子是阳离子的,叫做阳离子交换树脂。在使用时通常是游离酸型即RH型,而且各种RH解离出H+能力的大小不同。所以,其中又分为强酸性阳离子交换树脂和弱酸性阳离子交换树脂、/span>
2、阴离子交换树脂。交换基团能解离的离子是阴离子的,叫做阴离子交换树脂。使用时通常是游离碱型即ROH型,而且各种ROH解离出OH-能力的大小不同。所以,其中又分为强碱性阴离子交换树脂和弱碱性阴离子交换树脂、/span>
3、此外,离子交换树脂按其孔隙结构上的差异,又有大孔型树脂和凝胶型(或微孔型)之分。目前生产一种孔隙直径为200?000埃的树脂,称为大孔树脂;而把一般孔径在40埃以下的树脂,称为凝胶型树脂、/span>
三、物理性质
离子交换树脂的物理性质很多,下面只介绍常见的几种、/span>
1、粒度。树脂颗粒的大小,对树脂的交换速度、树脂层中水流分布的均匀程度、水通过树脂层的压力降和反洗时树脂的流失等,都有很大影响。树脂颗粒大,离子交换速度小;颗粒小,水流阻力大,而且反洗时容易发生树脂流失。因此,颗粒的大小应适当,常用的树脂颗粒?0?0目,国产离子交换树脂的颗粒为16?0?粒径?.2?.3毫米)、/span>
2、比重。树脂的比重对树脂的用量计算和混合床使用树脂的选择很重要。树脂比重的表示有以下几种:
(1) 干真比重。干真比重就是树脂在干燥状态下其本身的比重、/span>
此处所指的干树脂的体积,既不包括颗粒与颗粒之间的空隙,也不包括树脂本身的网架孔隙。测干树脂体积时是将一定重量的干树脂,浸入某种不使树脂膨胀的液?如甲?中,测量其排出液体的体积,此体积即为该一定重量干树脂的体积。干真比重一般为1.6左右、/span>
(2) 湿真比重。湿真比重是树脂在水中经过充分膨胀后,树脂颗粒的比重、/span>
这里的湿树脂体积是指颗粒在湿状态下的体积,包括颗粒中的网孔,但不包括颗粒与颗粒之间的空隙。湿真比重决定了树脂在水中的沉降速度。因此,树脂的湿真比重对树脂的反洗强度和混床再生前树脂的分层有很大影响。湿真比重一般为1.04?.3左右、/span>
(3) 湿视比重。湿视比重是指树脂在水中充分膨胀时的堆积比重、/span>
湿视比重用来计算交换器内装入一定体积树脂时,所需湿树脂的重量。湿视比重一般为0.6?.85、/span>
3、溶胀性。树脂的溶胀性是指树脂由干态变为湿态,或者由一种离子型转换成为另一种离子型时,所发生的体积变化。前者称为溶胀,后者称为体积溶胀、/span>
4、树脂溶胀度的大小与合成树脂用的二乙烯苯的数量有关。同一种树脂如果浸入不同浓度的电解质溶液中,其溶胀度也不同;溶液浓度小,其溶胀度大;溶液浓度大,其溶胀度就小、/span>
因此,当把干树脂开始湿润时,不宜用纯水浸泡,一般饱和和食盐水浸泡,以防止树脂因溶胀过大而碎裂、/span>
树脂体积溶胀度的大小与可交换离子的水合离子半径大小有关,树脂内可交换离子的水合离子半径越大,其溶胀度越大、/span>
由于树脂转型时其体积发生变化,所以转型前后两种树脂的湿真比重也随之发生变化。当转型后的树脂体积增大时,其湿直比重减小;当转型后的树脂体积缩小时,其湿真比重增大。这一性质在混床树脂分层时作用很大、/span>
由于树脂转型时发生体积变化,也能使树脂在交换和再生过程中发生多次胀、缩,致使树脂颗粒破碎。从这种情况来看,应尽量减少树脂的再生次数,延长使用时间、/span>
5、机械强度。树脂的机械强度是指树脂经过球磨或溶胀后,裂球增加的百分数、/span>
机械强度好的树脂,应呈均匀的球形,没有内部裂纹,有良好的抗机械压缩性以及很低的脆性,在失效和再生时具有足够的抗裂能力、/span>
6、耐热性。各种树脂所能承受的温度有一定的高极限,超过这个限度树脂就会发生迅速降解,交换容量降低,使用寿命减少、/span>
一般阳树脂可?00℃左右,阴树脂中强碱性树脂可?0℃左右,弱碱性树脂可?0℃左右。此外,盐型树脂比氢型或氢氧型树脂耐热性好些、/span>
四 化学性质
离子交换树脂的化学性质有:离子交换、催化、络盐形成等。其中用于电厂水处理的,主要是利用它的离子交换性质。所以,这里仅介绍离子交换反应的可逆性、选择性和表示交换能力大小的交换容量、/span>
1、离子交换反应的可逆性。当离子交换树脂遇到水中的离子时,能发生离子交换反应。反应结果,树脂的骨架不变,只是树脂中交换基团上能解离的离子与水中带同种电荷的离子发生交换。例如,?%左右的食盐水,通过RH树脂后,出水中的H+浓度增加,Na+浓度减小。这说明食盐水通过RH树脂时,树脂中的H+进入水中,食盐水中的Na+交换到树脂上。这一反应为:
RH+NaCl→RNa+HCl
戕/span>
RH+Na+→RNa+H+
如果?%左右的盐酸通过已经变成RNa的树脂后,出水中的Na+浓度增加,H+浓度减小。说明树脂中的Na+进入水中,而盐酸中的H+交换到树脂上。这一反应为:
RNa+HCl→RH+NaCl
戕/span>
RNa+H+→RH+Na+
对照两个反应我们知道:离子交换反应是可逆的。这种可逆反应,可用可逆反应式表示9/span>
RH+NaCl ? RNa+HCl
戕/span>
RH+Na+? RNa+H+
2、离子交换反应的选择性。这种选择性是指树脂对水中某种离子所显示的优先交换或吸着的性能、/span>
同种交换剂对水中不同离子选择性的大小,与水中离子的水合半径以及水中离子所带电荷大小有关;不同种的交换剂由于交换换团不同,对同种离子选择性大小也不一样。下面介绍四种交换剂对离子选择性的顺序9/span>
(1) 强酸性阳离子交换剂,对水中阳离子选择顺序9/span>
Fe3+>Al3+>Ca2+>Mg2+>K+>NH4+≈Na+>H+>Li+
(2) 弱酸性阳离子交换剂,对水中阳离子的选择顺序9/span>
H+>Fe3+>Al3+>Ca2+>Mg2+>K+>NH4+≈Na+>Li+
从上述选择顺序来看,强酸性阳离子交换剂对H+的吸着力不强;而弱酸性阳离子交换剂则容易吸着H+。所以,实际应用中,用酸再生弱酸性阳离子交换剂比再生强酸性阳离子交换剂要容易得多、/span>
(3) 强碱性阴离子交换剂,对水中阴离子的选择顺序9/span>
SO42-≥NO3->Cl>OH->F->HCO3-≥HSiO3-
(4) 弱碱性阴离子交换剂,对水中阴离子的选择顺序9/span>
OH->SO42-≥NO3->Cl->HCO3-
从阴离子交换剂的选择性来看,用碱再生弱碱性阴离子交换剂比再生强碱性阴离子交换剂容易。但是弱碱性阴离子交换剂吸着很弱,不吸着。因此,弱碱性阴离子交换剂用于除掉水中强酸根离子、/span>
3、交换剂的交换容量。交换容量是离子交换剂的一项重要技术指标。它定量地表示出一种树脂能交换离子的多少。交换容量分为全交换容量和工作交换容量、/span>
(1) 全交换容量。全交换容量是指离子交换剂能交换离子的总数量。这一指标表示交换剂所有交换基团上可交换离子的总量。同一种离子交换剂,它的全交换容量是一个常数,常用毫克当量/克来表示、/span>
(2) 工作交换容量。工作交换容量就是在实际运行条件下,可利用的交换容量。在实际离子交换过程中,可能利用的交换容量比全交换容量小得多,大约只有全交换容量?0?0%。某种树脂的工作交换容量大小和树脂的具体工作条件有关,如水的pH值、水中离子浓度、交换终点的控制标准、树脂层的高度和水的流速等条件,都影响树脂的工作交换容量。工作交换容量常用毫克当?毫升来表示、/span>
第二 离子交换除盐
在离子交换法的水处理中,根据除掉水中离子种类不同,分为离子交换法除盐(化学除盐)和离子交换法软化(化学软化)两种。其中使用比较广泛的是化学除盐,所以我们着重讨论化学除盐的原理、设备及运行;对于化学软化只作概括介绍、/span>
一、化学除盏/strong>
化学除盐法就是将RH树脂和ROH树脂分别(或混?放在两处(或一?离子交换器内,用RH树脂除掉水中的金属离子,用ROH除掉水中的酸根,使水成为纯水、/span>
1、原理。化学除盐原理主要有两个交换反应,一个是除盐反应,一个是再生反应、/span>
(1) 除盐。当含盐水流过RH树脂层时,水中的金属离子与RH树脂中的H+发生交换反应。水中的Na+、Ca2+、Mg2+……等离子扩散到树脂的网孔内并留在其中,而网孔内的H+则扩散到水中。结果,水中除了少数残余的金属离子外,阳离子换成了H+。这个过程用下列反应式表示:
RH+Na+→RNa+H+
2RH+Ca2+→R2Ca+2H+
2RH+Mg2+→R2Mg+2H+
经过RH树脂处理后的水,再通过ROH树脂层时,水中的酸根离子与ROH发生交换反应。水中的Cl‒/sup>?span style="font-family: 宋体, SimSun; text-align: center;">SO42-?span style="font-family: 宋体, SimSun; text-align: center;">HSiO3-……等离子扩散到树脂网孔内并留在其中,而网孔的OH‒/sup>则扩散到水中。结果,水中除了少数酸根外,阴离子换成OH‒/sup>。这个过程用下列反应式表示:
ROH+Cl‒/sup>→RCl+OH‒/sup>
2ROH+→R2SO4+2OH‒/sup>
ROH+→RHSiO3+OH‒/sup>
水中的H+与OH-相线路合变成水:
H++OH-→H2O
水经过RH阳树脂和ROH阴树脂处理后,水中的金属阳离子被交换成H+,酸根阴离子被交换成OH-相结合成水,原水中的盐类被除去。这样处理后的水叫做除盐水、/span>
(2) 再生。RH树脂和ROH树脂,经过交换后,分别转变为RNa、R2Ca、R2Mg……和RCl、R2SO4、RHSiO3……等新型树脂。这些新型树脂不能再起除盐作用,这种现象叫做树脂的失效。使失效的树脂重新恢复成初类型的树脂的过程,叫做再生。再生是根据离子交换反应的可逆性进行的。例如:

即反应向右进行是除盐,向左进行是再生。而反应究竟向哪个方向进行与离子的性质和溶液中离子浓度有关。在溶液中反应方向主要决定于离子被树脂的选择性,当溶液中某种离子浓度增大到一定范围时,反应就可以按人们指定的方向进行。在上述反应中分别增加H+浓度和OH-浓度,反应就向再生方向进行。这一可逆反应,提供了失效树脂再生的条件。RH阳树脂失效后采用一定浓度的酸溶液再生,ROH阴树脂失效后采用一定浓度的碱溶液再生。使树脂再生的药剂如酸、碱等,称为再生?或还原剂)、/span>
在生产中,RH的再生液一般用4?%的盐酸或1?%的硫酸;ROH的再生液一般用3?%的氢氧化钠溶液、/span>
2、设备和运行
(1)复床。水处理使用的离子交换器有多种形式,其运行方式也各不相同,常见的有复床除盐和混床除盐。下面先介绍复床除盐的设备结构和运行步骤、/span>
复床就是把RH树脂和ROH树脂分别装有两个交换器内组成的除盐系统。装有RH树脂的叫做阳离子交换器;装有ROH树脂的叫做阴离子交换器、/span>
1) 设备结构。离子交换器的主体是一个密闭的圆柱形壳体,体内设有进水、排水和再生装置,如?3-6、/span>

进水装置多采用喇叭口形,水沿喇叭口周围淋下,以便使水分布均匀、/span>
排水装置,近年来多采用穹形多孔板加石英砂垫层的方式,也有用排水帽的、/span>
进再生液装置有辐射型、圆环形和支管形,如?3-7所示、/span>

2) 运行步骤。交换器的运行分为四个阶段:交换除盐、反洗、再生和正洗、/span>
交换除盐。在除盐运行阶段,被处理的水洗经过阳离子交换器,再进入阴离子交换器,除盐后的水送入除盐水箱。阳离子交换器内装入一定量的RH树脂,在阳离子交换器内水中的金属离子与RH树脂中的H+交换,金属被交换在树脂上;阴离子交换器内装入一定量的ROH树脂,在阴离子交换器内,水中的酸根离子与ROH树脂中的OH交换,酸根离子被交换在树脂上。经过两种交换处理后的水,送入除盐水箱。交换器运行若干小时后,出水含盐量增加,水的导电度增大。当运行到出水导电度明显增大并达到一定值时,说明交换剂已经失效,不能生产出合格的水、/span>
在生产,为了便于用导电度表监视树脂是否已经失效,一般是让阳树脂先失效。树脂失效后,停止运行进行再生、/span>
反洗。树脂再生前需要反洗。这是因为变换是在较大压力下进行的,树脂颗粒间压得很紧,这样在树脂层内会产生一些破碎的树脂;此外,在阳离子交换树脂层表面几厘米的厚度内还会积累一些水中悬浮物,这些破碎的树脂是悬浮物都不利于交换剂的再生。所以,反洗的目的就是用清水松动交换剂层,清除树脂层内的悬浮物、破碎树脂和气泡等。反洗水经底部反洗进水门进客店交换器内,自下而上的流过树脂层,再进入上部漏斗由排水门排入地沟。反洗时,要求树脂层膨胀30?0%,使树脂得到充分清洗。反洗一直进行到出水澄清为止。为了防止树脂被冲走,应先慢慢开大反洗进水门,然后慢慢开大排水门。使用的反洗水不应污染树脂、/span>
再生。再生是一项重要的操作过程。再生开始前,打开空气门和排水门,放掉交换器内一部分水,使水位降到树脂层?0?0厘米处,关闭排水门。然后将一定浓度的再生液送进交换器内,由再生装置将再生液均匀分布大整个树脂层上,并将交换器内的空气经空气管排出。当交换器内的空气排完再生液充满筒体后,并闭空气门,打开排水门,此时再生液流过树脂层,并与失效的阳离?或阴离子)树脂发生离子交换反应,使失效树脂得到再生。再生过程中的废液从排水门排走、/span>
正洗。待树脂中再生后的废液基本排完,树脂中仍有残留的再生剂和再生产物,必须把它们洗掉,交换器方能重新投入运行。正洗时,清水沿运行路线进入交换器,由排水门排入地沟。正洗开始时,排出的废液中仍有再生剂和再生产物,随着正洗的进行,出水中的再生剂和再生产物逐渐减少,同时除盐的交换反应也开始发生,当排出的水基本符合水质标准时,即可关闭排水门,结束正洗,投入运行或备用、/span>
交换器从除盐→反洗→再生→正洗的全过程叫做一个运行周期、/span>
(2) 混床。经过复床除盐的水,仅适用一般高压锅炉的补给水,仍不能满足高参数锅炉的给水水质要求。为此,可以将复床除盐水再通过混床处理,以提高水质的纯度、/span>
混床就是把阳、阴离子交换树脂放在同一个交换器内,并在运行前两种树脂充分混合均匀、/span>
1) 混床的除盐原理。一般制取高纯度的除盐水,均采用RH与ROH树脂,即H-OH型混床。在这种混床内可以把树脂层内的RH与ROH树脂颗粒看做为混合交错排列的,这样的混床就相当于许多级复床串联在一起,有利于下列反应:
RH+Na+↑/span>RNa+H+
ROH+→RHSiO3+OH
H++OH→H2O
由于RH与ROH树脂颗粒交错排列,生成的H+和OH很快能结事成难解离的水,使除盐反应进行得比较彻底。因此,HOH型混床的出水水质纯度很高、/span>
2) 设备结构。一般采用的混床有固定式体内再生混床和固定式体外再生混床。这里介绍内再生混床设备,如?3-8、/span>

?3-8??混合床离子交换器结构?1—放空气管;2—观察孔?—进水装置;?4—多孔板?—档水板?—滤布层?#8194;7—中间排水装?span style="font-family: 宋体, SimSun;">
这种离子交换器是一个圆柱形密闭容器,交换器上部设有进水装置,下部有配水装置,中间装有阳、阴树脂再生用的排液装置,中间排液装置的上方设有进碱装置、/span>
3) 再生。混床是把阳、阴树脂混合装在同一个交换器内运行的,所以运行操作与一般固定床不同,特别是混床的再生操作差别很大。当混床树脂失效再生时,首先应把混合的阳、阴树脂分层,然后才能分别通过酸、碱再生液进行再生,这是混床操作的特点、/span>
再生方法分为体内再生法和体外再生法。本节介绍体内再生法,其步骤为:反洗分层、再生和正洗、/span>
反洗分层。混床内阳、阴树脂间的比重差是混床树脂分层的重要条件。阳树脂的湿真比重为1.23?.27,而阴树脂的湿真比重为1.06?.11。由于阳、阴树脂比重的不同,当混床树脂反洗时,在水流作用下树脂会自动会层,上层是比重较小的阴树脂,下层是比重较大的阳树脂。阳、阴树脂的比重差越大,分层越迅速、彻底;比重差小,分层比较困难。树脂的比重与失效树脂转型有关,失效树脂转型不同,其比重也各不相同,不同型式的阳树脂,它们的比重顺序为:
УH< УNH4< УCa< УNa< УK< УBa
不同型式阴树脂的比重顺序为:
УOH< УCl< УCO3< УHCO3< УNO3< УSO4
У——表示比重,右下角的符号表示树脂的类型、/p>
为了提高树脂分层效果,有时在分层前向混床内通入NaOH,使阳树脂转换为比重较大的RNa树脂,使阴树脂转换为比重较小的ROH树脂。这样可以增大阳、阴树脂间的比重差,以达到提高分层效果的目的、/span>
此外,反洗流速,也影响分层效果。一般反洗流速,应控制在使整个树脂层的膨胀率在50%以上、/span>
再生。混床中阳、阴树脂分层后,就可以对上层的阴树脂和下层的阳树脂分别进行再生,亦可同时进行再生。以分别再生为例,说明再生操作:
再生阴树脂时,碱液从上部的进碱管进入,通过失效的阴树脂层,使失效树脂再生,其废液由混床中部排液装置排出。此时应特别注意防止碱液浸润阳树脂层。为此,在再生阴树脂的同时将清水按酸再生液的途径,从底部不断送入。当阴树脂再生完毕后,继续向阴树脂层进清水,清洗阴树脂层中的再生废液,清洗至排水的氢氧碱度为0.5毫克当量/升时为止、/span>
再生阳树脂时,酸液从下面通过底部配水装置进入失效树脂层,使失效的阳树脂再生,其废液从混床中部的排液装置排出。此时应注意防止酸液浸润阴树脂层。为此,在再生阳树脂同时将清水按碱再生液的途径从上部进入。当阳树脂再生完毕后,继续向阳树脂层进清水,清洗阳树脂中的再生废液,清洗至排水的酸度?.5毫克当量/升时为止、/span>
正洗。正洗就是用清洗水从上部进入,通过再生后的树脂层由底部排出、/span>
首行混合前正洗,当正洗到排水的导电度?.5微姆/厘米以下时,停止混合前正洗,然后从混床交换器底部进入压缩空气,把两种树脂混合均匀,进行混合后的大流量正洗(流速约?0?时左?至出水合格,投入运行或备用、/span>
混床的出水纯度虽然很高,但树脂交换容量的利用低、树脂磨损大、再生操作复杂。因此,它适用处理含有微量盐的水,如经过一级复床处理的除盐水和凝结水等。这样可以延长混床的运行周期,减少再生次数、/span>
二、化学软匕/strong>
含有较多Ca2+和Mg2+的水,叫做硬水。降低水中Ca2+和Mg2+的含量或把水中Ca2+和Mg2+基本全部除掉的工作叫做软化。经过软化后的水叫做软水、/span>
化学软化的反应原理、设备及其运行步骤基本上与复床除盐相似,不同的是软化只是除掉水中的Ca2+和Mg2+,软化所用的交换剂是RNa或RH。如果交换剂为RNa时,再生液为5?0%的食盐水。软化和再生反应式如下:

软化水的含盐量比除盐水中的含盐量高,所以软化水只能做中、低压锅炉或蒸发器的补给水、/span>
第三 除CO2?/strong>
河水和井水一般均含有重碳酸盐,这种水经过RH树脂层时,发生如下反应:
2RH+Ca(HCO3)2↑/span>R2Ca+2H2CO3
2RH+Mg(HCO3)2→R2Mg+2H2CO3
水中其它重碳酸盐也发生类似反应,致使水中重碳酸盐转变为碳酸。除CO2器主要用于除去水中的这部分碳酸、/span>
1、除CO2的原理。含有重碳酸盐的水经过RH树脂处理后,它的pH值一般在4.3以下。在这种情况下水中H2CO3能分解为水和二氧化碳9/span>
H2CO3? H2O + CO2
这种CO2可以看作是溶于水的气体。当水面上的CO2压力降低或向水中鼓风时,溶于水中皃span style="font-family: 宋体, SimSun; text-indent: 28px;">CO2就会从水中逸出。根据它的这个性质,可以采用真空法或鼓风法来除去水中的CO2、/span>
2、鼓风除CO2器。鼓风除CO2器是一个圆柱形设备,如?3-9所示、/span>

?3-9 鼓风除CO2?nbsp; 1-脱气塔; 2-充填物(拉西环) 3-中间水箱
陣span style="font-family: 宋体, SimSun; text-indent: 28px;">CO2器的圆柱体可用金属、塑料或木料制成。如果用金属制造,圆柱体的内表面应采取适当防腐措施。柱体内一般装在瓷环,瓷环的作用是使水与空气能充分接触、/span>
陣span style="font-family: 宋体, SimSun; text-indent: 28px;">CO2器运行时,水从圆柱体上部进入,经配水管和瓷环填料后,从下部流入贮水箱。空气则由鼓风机从柱体底部送入,经瓷环并与水充分接触,然后由上部排出。由于空气中CO2含量很少,它的压力只占大气压力的0.03%左右。所以当空气鼓进柱体并与水接触时,水里的CO2就会扩散到空气中去,当水从上往下流动遇到从下向上的空气时,水中绝大部分CO2即随空气带走。水越往下流其中CO2越少,当水流到柱体底部时,残余的CO2一般只??0毫克/升、/span>
第四 降低酸、碱耗的措施
在对给水进行化学除盐的过程中,费用大的是树脂再生用的酸或碱。降低再生用的、碱耗,是提高化学除盐经济运行的主要途径、/span>
一 酸、碱耗的计算方法
在计算化学除盐的酸、碱耗时,常用单耗和比耗来表示、/span>
1、单耗。再生剂的单耗是指除去水?克当量的离子,实际消耗再生剂的克数:

式中 总阳离子 = 入口水碱 + 出口水酸度;

这里 CO2——阴离子交换器入口水中CO2的含量,毫克/升;
SiO2——阴离子交换器入口水中SiO2的含量,毫克/升、/span>
2、比耗。再生剂的比耗是指实际用的再生剂单耗与再生剂理论消耗量的比值:
比 = 再生剂单耗(克) / 再生剂理论耗量(克(/p>
再生剂理论耗量,是指交换按等当量进行反应所消耗的再生剂量。例如,要除去水?克当量的阳离子,消耗盐酸的理论量应?6.5克。如果它的单耗为54.75克,则其比耗为
盐酸比 = 54.75?36.5 = 1.5
降低酸、碱耗的措施
运行中酸、碱耗的大小,与原水中盐的种类和数量、再生工艺。设备形式和树脂性能等因素有关。目前,在降低酸、碱耗方面主要采取以下几种措施:
1、逆流再生。逆流再生是再生液的流向运行时水的流向相反。这种再生方式,能使保护层树?指运行时水流量后经过的那一部分树脂)再生彻底,再生液也得到了充分利用。这样,可以降低酸和碱的消耗量,提高出水水质、/span>
逆流设备在运行时,被处理的水后与再生彻底的保护层接触,有利于提高出水水质。另外,水在进入交换器时,首先接触的是再生程度较差的树脂,由于水中H+、OH(或软化处理时的Na+)浓度小,反应按除?或软?方向进行,这就使再生程度较差的树脂也能充分发挥作用、/span>
目前,我国使用的逆流离子交换器有:逆流再生固定床和浮动床等、/span>

?3-10 浮动床工作原理示?nbsp; (1) 运行状态;(2) 再生状?/p>
逆流再生固定床在运行时,待处理的水由交换器上部进入,经过树脂层后由下部流出。树脂再生时,再生液由交换器下部进入,经过树脂导的再生废液,由上部排出、/span>
浮动床在运行时,要处理的水上交换器底部进入,利用水流的动能使村脂以密实状态向上托起称为成床,水流过床层由顶部排出。树脂再生时,树脂层下落,称为落床。落床后再生液由交换器上部进入,经过树脂层的再生废液由底部排出,如图13-10、/span>
?3-6内列出我国某些电厂采用逆流交换器运行的经济指标和出水水质、/span>
?3-6 逆流与顺流再生的酸、碱耗和出水水质
| 项目 | 酸、碱??克当? |
出水水质 |
||||||
| 顺流 |
逆流 |
顺流 |
逆流 |
|||||
| 酸耖/span> | 碱耖/span> | 酸耖/span> | 碱耖/span> |
漏Na+ (微克/? |
导电?br/>(微姆/厘米) | 漏Na+ (微克/? |
导电?br/>(微姆/厘米) |
|
| XX厁/span> | 82 | 93 | 45 | 55 | 200?000 | 4?0 | 20 | 1.0 |
| XX厁/span> | 85 | 100 | 42.5 | 55 | 150?00 | 4?0 | 20?0 | 1.0?.0 |
| XX厁/span> | 92 | 99 | 46 | 68.4 | 700?00 | 10 | 40?0 | 5 |
注:再生液采用的酸为盐酸(HCl),碱为氢氧化?NaOH)、/span>
2、设置前置式交换器。将一个强酸?或强碱?离子交换器设计成两个,前后安装。运行时,原水先通过前者,再通过后者。再生时,再生液先流经后者,再流经前者。这种水处理方式,由于采用了类似逆流再生的办法,使酸、碱耗降低、/span>
3、双层床离子交换器。双层床是将强酸性与弱酸?或强碱性与弱碱?离子交换树脂,分层装在固定床交换器中。弱酸?或弱碱?树脂装在上层,强酸?或强碱?树脂装在下层。运行时,水从上部流入由下部排出;再生时,再生液从下部进入失效树脂层,由上部排出。由于弱?或弱?树脂失效后很容易再生,所以再生液从底部经过强?强碱)树脂后的稀溶液对弱?弱碱)树脂还能起再生作用。这样,再生剂得到了充分的利用,降低了酸、碱耗。例如,某厂的阳双层床的HCl酸耗平均为43.7?克当量,出水漏Na+?0?0微克/升,硬度?;另一电厂的阴双层床的NaOH碱耗约?5?克当量,出水导电度为3?微姆/厘米,SiO2?0微克/升左右。从这些数据可以看出,双层床酸、碱耗比顺流再生单层床的酸、碱耗低得多,出水水质也有所提高、/span>
4、废再生液回收。当使用顺流固定床交换器时,再生强酸性或强碱性树脂的废液,其酸、碱浓度?%左右,应将这种废液回收到专设的容器内,供下次初步再生使用。注意,开始排出的废液中因再生产物较多,不宜利用;当再生产物含量高峰过后,废液方可回收备用、/span>
第五 锅炉补给水的处理系统
前面已经讨论了除掉水中各类杂质的原理、设备和方法;了解到把天然水净化为锅炉补给水的过程,这个过程是由各种水处理方法和设备联合组成的水处理系统。某电厂应采用何种水处理系统,应根据本厂对给水水质要求和原水水质情况等具体条件决定。电厂常用的几种基本水处理系统及其适用范围列于?3-5中、/span>
?3-5 锅炉补给水处理系绞/span>
| 水处理系绞/strong> | 适用范围 |
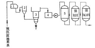
![]() |
RH树脂除掉水中的金属离孏br/>ROH除掉水中的酸核br/>河水的悬浮物含量大于20毫克/升,硅化物较多,含盐量不高的原水 用于高压及高压以下锅炉的补给水处琅/td> |
![]() |
软化交换剂RNa或RH除掉水中的Ca2+和Mg2+ 含强酸阴离子较多的原氳br/>用于中、低压炉碱蒸发器的补给水处理 |
![]() |
含重碳酸盐碱度较大的原水 用于中、低压炉或蒸发器的补给水处理 |
![]() |
碱度、含盐量、硅酸含量均不高的清氳br/>用于超高压炉或直流炉的补给水处理 |
![]() |
碱度及SO42-、Cl含量较高的清氳br/>用于高压炉的补给水处琅/p> |
![]() |
SO42-和Cl含量高的清水 用于超高压炉或直流炉的补给水处理 |