滑环 >> 信号滑环
热电偶滑环ECN155-04S
产品介绍
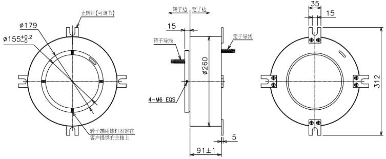
偲诺热电偶滑环有装配简单、更换方便、测温范围广(-270℃~2800?、测量精度高、热电偶类型可选等多项特点,其显著优势则为使用寿命长,不受环境温度变化影响。通常,有需要使用热电偶滑环的用户,最关注的是测温的准确性,而偲诺成熟的设计方案让用户体验到产品的高精确测量度,实现了特定条件下温度测量的功能、/span> ECN155-04S产品特点 ?防护等级 ?可露天使 ?使用寿命长,免维 ?可集成各种类型信叶/span> 可选项 ?通路 ?电流大小 ?防护等级 ?集成信号类型 典型应用 ?污水处理 ?物料传送设
|
相关产品
|
|||||||||||||||||||||||||||||||||||||||||




