以太网技术是目前最常用的网络技术,它为互联网和通信系统提供? GBPS的通信带宽。它具有以太网的简单性和相似速率通信系统的经济性、/span>
偲诺针对市场需求根据百兆及千兆以太网的信号协议特点开发了百兆及千兆以太网信号滑环,设计时兼顾EMC电磁兼容及信号阻抗匹配要求,使信号传输损耗小,无误码,超长距离传输,偲诺以太网滑环能够传输高?000Mbps的数据速率,甚至超过这个速度。此类信号也可以与其他电流环路和信号滑环路集成在同一个滑环上,满足用户各类使用需求、/span>
特征
· 可传?00M/1000M以太网信叶/span>
· 传输稳定,不丢包,无串码,损耗小
· 能混合多路信号和电流
· 电流与信号无干扰,符合EMC电磁兼容要求
· 提供RJ45接头直接拔插
典型应用
· 转台测试设备
· 自动化设夆/span>
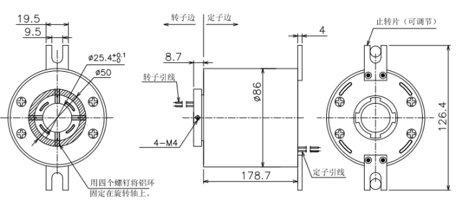
以太网滑环ECN025-1815-08S-02E2
产品特点
可集成电流和其他信号环路
内部特殊处理,提高信噪比
以太网信号符合协议要汁/span>
可选项
通路
以太网信号规
信号类型
安装方式
典型应用
转台
自动化设
| 电滑环技术参?/strong> |
| 环路电流 |
18?15A;8?信号;2?百兆网线 |
防护等级 |
IP54 |
| 工作电压 |
380VAC |
工作温度 |
-20℃~+60 |
| 绝缘电阻 |
500MΩ@500VDC(电流) 100MΩ@100VDC(信号) |
转 |
0?00rpm |
| 耐压强度 |
?000· @50hz(电流) ?00 · @50hz(信号) |
触点材料 |
贵金 |
| 电气噪音 |
?0mΩ(?0rpm运转) |
壳体材料 |
铝合金喷砂氧化黑 |
| 工作湿度 |
<60%RH |
安装方式 |
法兰安装 |
| 夕/strong>彡/strong>尹/strong>寷/strong> |
