滑环 >> 电滑?/div>
CCN04C帽式滑环
产品介绍
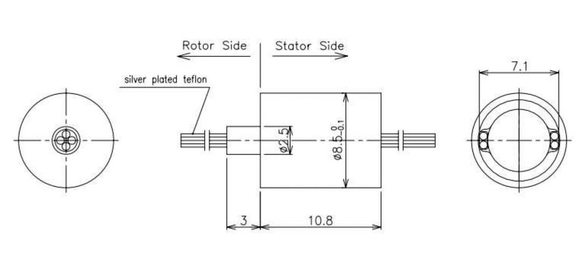
帽式滑环系列产品,结构紧凑,体积小,360度无限制旋转的图像及数据传输,工作噪音低,寿命长,转动力矩小。产品规格有多项可选项,如通路数、壳体材质、防护等级、工作转速、工作温度、线材规格、线材长度、端子接插件等参数,均可根据客户具体要求制作、/span> 产品特点 · 体积小,结构紧凑 · 采用**级表面处理工艺,金对金触炸/span> · 接触电阻小,电气噪音低,运转平滑力矩導/span> · 传输数据和模拟信号,与数据总线协议兼容 可选项 · 通路数:1路到200路可逈/span> · 防护等级:IP51到IP68可逈/span> · 工作温度?55?50℃可逈/span> · 支持多种信号、功率混合传辒/span> · 导线长度、出线方式、端子接插件 典型应用 安防监控、LED自动化设 、雷达天线、转台?*设备 、无人机、机器人、机械手 、医疗设备、仪器仪?/span> CCN04C产品特点9/strong> ·贵金属接触保证超长工作寿 ·?金触点,接触电阻极低 ·兼容数据总线协议 ·运转平滑 ·低力 ·结构紧凑 可选项9/span> ·工作速度 ·更多通路 ·信号及电源可单独或混合传 ·电流、电 ·连接端子 ·防护等级 ·外壳材质 典型应用9/span> ·闭路监控球形云台 ·电气测试设备 ·制造和处理控制设备 ·旋转工作 ·机器 ·展览/显示设备 ·医疗设备
|
相关产品
|
|||||||||||||||||||||||||||||||||||||




