泵阀 >> 计量泴/div>
2J-X系列柱塞式计量泵
产品介绍
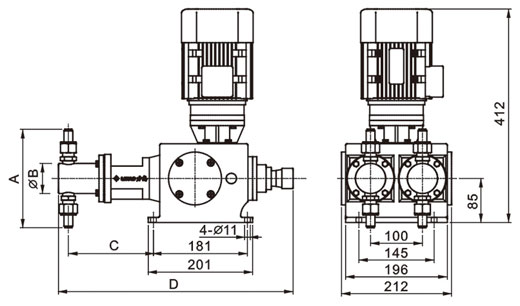
产品介绍 流量范围: 0-300 lph 材料 泵头: SUS304, SUS316,304+PTFE,316+PTFE 工作条件 环境温度: -30 --- 100?nbsp; 技术参?/strong>
注:以上参数、电机、联接方式为标准配置,特殊配置请咨询力高工厂
|
相关产品
|





