| 型号: | DSC 204 HP |
| 品牌: | NETZSCH(耐驰) |
| 产地: | 德国 |
| 仪器种类: | 差示扫描量热?/td> |
在实际应用中,很多物理过程和化学反应都会受到气体压力的影响。因此,很多时候需要在保持一定压力的状态下进行 DSC 实验?nbsp;
NETZSCH 公司开发了高压型差示扫描量热仪 DSC 204 HP,拥有坚固的镀金测量池,可以在高压下进行各种气氛下的实验, O2、N2、Ar、He、H2、CO2、CH4 等。压力范围可从真空到 15 MPa(150 bar),测试最高温度可 600°C,若配备液氮控制 CC 200 L 则最低温度可 -150°C?nbsp;
样品气氛可以是静态也可以是动态。电子压力控制装置和精确的吹扫气流调节,使得实验具有优越的精度和重复性。DSC 204 HP 安全性能良好,满足对于高压实验的所有安全要求?nbsp;
DSC 204 HP 是目前市场上工作压力最高的 DSC,也是唯一能够实现负温高压测量 DSC 系统。为此,该产品推出后即荣获全 R&D100 大奖、br/>
|
![]() |
DSC 204 HP Phoenix?的分析操作软件是基于 MS?Windows?系统皃span class="Apple-converted-space">Proteus?软件包,它包含了所有必要的测量功能和数据分析功能。这一软件包具有极其友善的用户界面,包括易于理解的菜单操作和自动操作流程,并且适用于各种复杂的分析。Proteus 软件既可安装在仪器的控制电脑上联机工作,也可安装在其他电脑上脱机使用、/p>
峰的标注:可确定起始点,峰值,拐点和终止点温度,可进行自动峰搜索、/p>
峰面?热焓计算:可选多种不同类型基线,可进行部分面积分析、/p>
峰的综合分析:在一次标注中可同时得到温度、面积、峰高与峰宽等各种信息、/p>
全面的玻璃化转变分析、/p>
自动基线扣除、/p>
比热测试与分析、/p>
压力信号的记录和计算
高压 DSC 的常见应用:
蒸气压和蒸发热焓的测定(ASTM E 1782(/p>
重叠蒸发反应的分禺/p>
吸附与解吸过程测试(如在金属化合物表面)
油类、脂肪和润滑剂的氧化稳定性(ASTM E 1858,ASTM D 6186,ASTM E 2009,ASTM D 5483(/p>
热固性材料的固化(如酚醛树脂(/p>
橡胶的硫匕/p>
不饱和脂肪酸的水合反库/p>
当然,也可使用进 DSC 204 HP Phoenix?进行常压下的普 DSC 测试、/p>
图中所示为一种人造调和油的氧化行为研究。样品量 3.0 ± 0.1mg,升温速率 2K/min,在氧气气氛?00ml/min)、一定的压力下进行测试。结果表明随着氧气压力的升高,氧化行为出现的时间提前,也就是说在较低的温度下便开始氧化、/p>

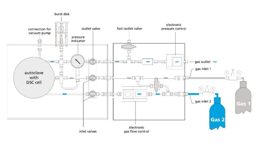
DSC 204 HP Phoenix?既可只配备电子压力调节器用于静态压力气氛下的测试,也可额外配备电子流量控制器用于动态压力气氛下的工作。仪器拥有独立于电脑的数字压力显示和气体流量控制,减压装置可配备不同的适配器,适应于各类不同的气体、/p>
仪器可配备真空泵,既可用于自动抽真空后自动填充气体,也可用于静态真空条件下的测试、/p>
液氮控制 CC 200 L 既可使实验在低温下进行,也可用于在设定的可控冷却速率下进行测试、/p>
大多数实验通常使用敞口铝坩埚,或盖子上扎孔的铝坩埚、/p>
配备一套标样盒,用于仪器的温度与热焓校正、/p>