[ 登录] [ 免费注册]
试剂仪器? title=
位置9a href="/">首页> 机械设备> 计量泴/a>
JQ15气动隔膜泴/div>
JQ15气动隔膜泵图?></a></div>    <span style=
品牌: 力高
产地: 台州
驱动方式: 气动计量泴/td>
过流部分: 机械隔膜弎/td>
流量调节: 多调节方式可逈/td>


产品介绍

JQ15塑料泵:PP/Acetal/PVDF

JQ15金属泵材质:AL/SST

JQ15塑料泵技术参数:

最大工作压劚/span>max.working pressure

100psi(0.7Mpa/7bar)

最大流野/span>max.flow rate

50lpm(3.0m?/h(/span>

最大虹吸高?/span>max.suction height

4m

最大输送固体颗粑/span>max.permiffed grain

2.5mm

空气进口尺寸air inlet size

1/4in

液体进出口尺寷/span>fluid inlet/outlet size

1/2 3/4

重量weight

PVDF pump 3.7kg

PP pump 2.7kg

JQ15塑料泵性能曲线9/span>

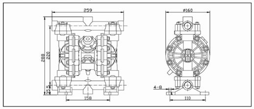
JQ15塑料泵安装尺寸图9/span>

浙江力高泵业科技有限公司
电话:点击&查看
联系亹 销售部
地址: 浙江省临海市两水开发区汇墅?27叶/span>
同品牌产品:
猜您感兴趢/div>
换一扸/a>
来访登记
请留下您的联系方式,登记完成即可查看电话与供应商联系,或等候供应商联系您、/div>
留言类型9/div>
*姓名9/div>
*电话9/div>
*单位9/div>
Email9/div>
*留言内容9/div>
请说明需求数量,型号规格以及纯度含量等要求
*验证码:
Baidu
map