| 型号: | LFA 427 |
| 品牌: | NETZSCH(耐驰) |
| 产地: | 德国 |
| 检测方泔 | 激光闪射法 |
对于材料或组分的热传导性能描述,导热系数与热扩散系数是最为重要的热物性参数。激光闪射法是导热测试领域最为广泛使用的一种方法,用于精确测量材料的热扩散系数并计算导热系数。而耐驰公司推出的激光导热仪 LFA 427 则代表了世界范围内同类产品的最高水平、/p>
LFA 427 具有高精度、高重复性、测量快速、样品支架种类丰富、测试气氛可自由设定等突出优点,其总的测量温度范围 -120°C ... 2800°C、/p>
LFA 427 最新推出带高温计的特别配置版,可在室温 2800°C 的宽广温度范围内进行测量、/em>
LFA 427 的样品适应面极广,包括陶瓷、玻璃、金属、熔融物、液体、粉末、纤维与多层材料等各种材料,从低导热材料直至最高导热系数的金刚石,都可在相同的速度与精度下进行测量。仪器直接测试的是随温度而变的热扩散系数,若结合比热值(通常使用DSC 404 F1 Pegasus?进行测试,也可在 LFA 427 上使用比较法测得)与密度(密度随温度的变化使用热膨胀?span class="Apple-converted-space">DIL 402 Expedis测量计算),则可进一步计算导热系数、/p>
测量所使用的激光能量、脉冲宽度、气氛与真空均可自由选择,可以针对不同的样品性质设定最佳的测量条件、/p>
本仪器拥有完全密封的系统,设计上注重节省空间,其安全等级达到了最高级(1?,操作时不需要任何特殊的安全措施。软件功能先进,允许仪器工作于手动或全自动模式。并提供特殊支架,用于测试粉末,液体,矿渣,纤维和夹层样品、/p>
LFA 427 是最强大与灵活的 LFA 系统,适用于包括汽车制造、航空航天与能源技术在内的各种领域的常规材料与新型高性能材料的表征、/p>
|
![]() |
![]() |
![]() |
LFA 427 的测量与分析软件是基 MicroSoft Windows?系统 Proteus?软件包,它包含了所有必要的测量功能和数据分析功能。这一软件包具有极其友善的用户界面,包括易于理解的菜单操作和自动操作流程,并且适用于各种复杂的分析。Proteus 软件既可安装在仪器的控制电脑上联机工作,也可安装在其他电脑上脱机使用、/p>
精确的脉冲宽度修正与脉冲能量积分、/p>
热损耗修正、/p>
集成了所有传统模型、/p>
使用非线性回归进 Cowan 拟合、/p>
改进 Cape-Lehmann 模型,使用非线性回归,将多维热损耗纳入计算、/p>
对于半透明样品的辐射修正、/p>
二层与三层结构样品:通过非线性回归方式进行拟合,并将热损耗纳入计算、/p>
计算多层样品的接触热阻、/p>
比热测量:使用已知比热的标样、通过比较法进行计算、/p>
内置数据库、/p>

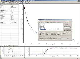
NETZSCH LFA Proteus?的分析界靡/p>
图中显示了对于某表面涂覆石墨 Bio-氧化铝样品的 LFA 热扩散系数测试结果。从两个不同实验室(KfK x Research Center Karlsruhe, IMF1 LFA 427 + NETZSCH Applications laboratory)得到的测量结果非常吻合、/p>

图中对纯铜分别在升温与降温条件下进行了热扩散系数的测试。在 1080°C 的热扩散系数的突变由材料的熔化/凝固所致。由于升降温两种方式下测得的热扩散系数几乎没有任何差别,表明材料在升降温循环后没有发生明显的微观结构的变化。固相与液相区域的热扩散系数的测量值与文献值之间的偏差小于 2.5%。利用金属在熔点(纯铜熔点为 1083°C)的热扩散系数的突变,可 LFA 仪器作温度校正、/p>

LFA 427 配有恒温水浴,以保证温度与长时间工作的稳定性、/p>
包括涡轮分子泵在内的多种类型的真空泵,可以使得测试在高真空或纯净无氧的惰性气氛下进行、/p>
流量计,用于调节吹扫气体的流量、/p>
由铝,SiC 或石墨制成的样品支架与样品罩,适用于标准样品尺寸、/p>
提供由氧化铝、铂金、铝、蓝宝石等材料制成的多种类型不同尺寸的样品支架或样品容器,用于测量液体样品、熔融金属、矿渣与纤维等特殊样品、/p>
提供用于热扩散系数验证的标准样品、/p>
提供用于比热测试的参比样品、/p>
制样设备、/p>