生物工程设备 >> 发酵罏/div>
发酵罐MBF-300ME
产品介绍
规格参数 产品特点 1 搅拌装置采用了防止细菌污染的磁性耦合搅拌驱动方式、/p> 2 对微生物作用小的水套、/p> 3 通过连接程序控制器(EPC-2000?或测量、控制装置,可对培养进行程序控制、/p>
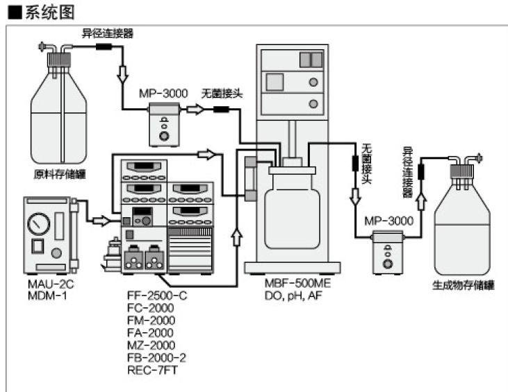
系统配置
|
相关产品
|





