产品搜索
水及废水监测分析仪器 >> 水位计、水位传感器
MIK-RD908/909智能高频雷达水位讠/div>
MIK-RD908/909智能高频雷达水位计图?></a></div>    <span style=
型号: MIK-RD908/909
产地: 杭州
索取资料及报件/span>
型号: MIK-RD908/909
产地: 杭州
产品介绍

米科MIK-RD908雷达水位计,26G高频系列可用于需要发射角度小精度高的场合,一?米以上用、/p>

雷达水位计天线发射极窄的微波脉冲,雷达波以光速在空间传播,遇到被测介质表面,其部分能量被反射回来,被同一天线接收。发射脉冲与接收脉冲的时间间隔与天线到被测介质表面的距离成正比、/p>

米科雷达液位计家? src=

米科MIK-RD908/909智能高频雷达水位计特? src=

产品应用

雷达液位计应用场? src=

雷达液位计现场应? src=

产品特点

雷达液位计产品特? src=

米科MIK-RD908/909智能高频雷达水位计密封防水接? src=

米科MIK-RD908/909智能高频雷达水位?04不锈钢喇叭口

米科MIK-RD908/909智能高频雷达水位计增强信号板

产品参数

MIK-RD908/909产品参数

产品选型

产品选型须知.jpg

本产品适用于非防爆场合,如需防爆产品需特殊注明

产品尺寸

雷达液位计表头尺? src=

产品安装

米科雷达液位计产品安? src=

米科雷达液位计安装在平顶锥形罐体

米科雷达液位计测量料堆时

米科MIK-RD908/909智能高频雷达水位计安装注意事? src=

米科MIK-RD908/909智能高频雷达水位计罐顶安? src=

米科MIK-RD908/909智能高频雷达水位计反射板安装

米科MIK-RD908/909智能高频雷达水位计天线安? src=

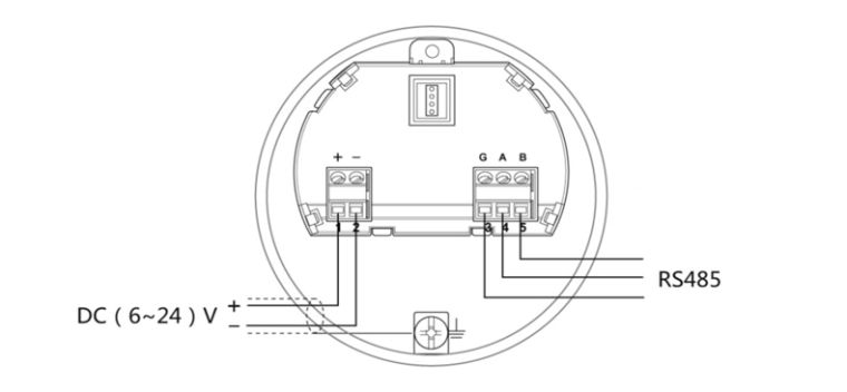
产品接线

米科雷达液位?85接线

米科MIK-RD908/909智能高频雷达水位?20V四线制安? src=

米科MIK-RD908/909智能高频雷达水位?4V两线制接线图

相关产品
Baidu
map